重庆市水利局行政规范性文件

重庆市水利局行政规范性文件

下载文字版 下载图片版 政策解读

政策解读

重庆市水利局

重庆市发展和改革委员会

关于印发《重庆市取用水领域信用评价

工作方案(试行)》的通知

渝水规范〔20261

各区县(自治县)、西部科学城重庆高新区、万盛经开区水行政主管部门、发展改革委:

为进一步贯彻落实党中央、国务院关于实行水资源刚性约束制度和关于社会信用体系建设的决策部署,加快我市取用水领域信用体系建设,强化取用水领域信用监管,促进取用水领域健康有序发展,结合我市工作实际,研究制定了《重庆市取用水领域信用评价工作方案(试行)》,现印发给你们,请认真按照方案抓好落实。

重庆市水利局             重庆市发展和改革委员会

                          202636

(此件公开发布)

(联系人:梁湘瑜;联系电话:89079191


重庆市取用水领域信用评价工作方案

(试行)

为贯彻落实党中央、国务院关于实行水资源刚性约束制度和关于社会信用体系建设的决策部署,加快我市取用水领域信用体系建设,强化取用水领域信用监管,促进取用水领域健康有序发展,根据《水利部 国家发展改革委关于实施取用水领域信用评价的指导意见》(水资管〔2024172号)要求,制定本方案。

一、总体要求

坚持以习近平新时代中国特色社会主义思想为指导,贯彻落实习近平总书记“节水优先、空间均衡、系统治理、两手发力”治水思路和关于治水的重要论述精神,以强化用水权管理、实施取水许可制度为前提,以加强取用水信用监管为着力点,将取用水领域违法违规和弄虚作假等行为计入信用记录,建立取用水领域信用评价规则,规范取用水领域信用评价程序,强化取用水领域信用评价结果运用,引导取用水户依法依规取用水资源,规范水资源开发利用秩序,支撑和保障高质量发展。

二、评价对象与主体

(一)评价对象

按照稳慎适度原则,先期将市、区县(自治县,以下简称“区县”)已纳入取水许可管理和未经批准擅自取水的非农业取用水户作为评价对象。后续,市水利局将根据取用水领域信用评价工作开展情况适时扩大评价范围。水利部流域管理机构审批的取用水户按照水利部相关规定执行。

(二)评价主体

市水利局为评价主体,统一组织开展全市取用水领域信用评价工作。其中区县水行政主管部门为本级审批发证取用水户和辖区内未经批准擅自取水的取用水户初评单位;市水资源中心为市管取用水户初评单位。

三、评价标准和依据

(一)评价方法

取用水领域信用评价实行扣分制,初始分为100分,扣完为止,根据管理中发现的取用水户违法违规和弄虚作假等失信行为,以相关生效的行政决定文书,以及其他权威、准确的文件或记录为依据进行扣分,根据评分情况确定对应的信用等级。对情节严重、影响恶劣、拒不整改或者整改不力的违法取水行为,从严从重扣分。

(二)信用等级

评价结果实行等级制,按照扣分情况从高到低划分为四个等级,分别是信用优秀(A级)、信用良好(B级)、信用一般(C级)、信用较差(D级)。各信用等级对应的分值(N)分别为:

信用优秀(A级):N=100

信用良好(B级):85N<100

信用一般(C级):60N<85

信用较差(D级):0N<60

(三)评价指标

重庆市评价指标与全国取用水领域信用评价标准(试行)保持一致,随国家标准适时调整,具体见附件1

结合《水利部关于印发水资源管理监督检查办法(试行)的通知》(水资管〔2019402号)中不同问题的等级分类和法律法规相关处罚条款规定,将评价指标涉及的取用水违法违规和弄虚作假等行为严重程度分为一般、较重、严重3个等级,不同等级对应不同的扣减分值。

(四)评分规则

1以相关行政决定文书以及其他权威、准确的文件或记录明确的取用水户违法违规和弄虚作假等失信行为作为扣分依据,一个失信行为对应一项评价指标,多个失信行为对应多项评价指标。

2失信行为涉及一项评价指标的,对该项指标扣分;涉及两项及以上评价指标的,累计扣分,扣完为止。

3.取用水户失信行为涉及的评价指标为一般或较重等级,水行政主管部门已下达停止违法违规行为责令整改通知书,且仍未在规定期限内完成整改的,直接评定为C级。

4.取用水户有下列情形之一的,直接评定为D级:

1)取用水户失信行为涉及的评价指标为严重等级,水行政主管部门已下达停止违法违规行为责令整改通知书,且仍未在规定期限内完成整改的;

2)取用水户失信行为被市级及以上水行政主管部门或其他有关部门实施挂牌督办的;

3)因取用水违法,相关责任人被追究刑事责任的;

4)被列入取用水严重失信主体名单的;

5)其他造成与取用水相关的严重恶劣社会影响的。

5.参考相关部门在行政管理和公共服务的公共信用信息、公共信用综合评价信息,对取用水户在其他领域信用评价结果为最低等级的或被列入其他领域严重失信主体名单的,其取用水领域信用评价等级不能高于C级。

6.对于一个取用水户有多个取水许可证的,如发证机关相同,以取水许可证为单元分别评分,取最低分值对应的信用等级作为该取用水户的信用评价结果;如发证机关不同,由共同的上一级或最高一级发证机关综合所有发证机关的评价结果,取最低信用等级作为该取用水户最终的信用评价结果。

四、评价周期与程序

(一)评价周期

取用水领域信用评价工作每年开展一次,于每年3月底前完成对上一年度的取用水领域信用评价工作,评价结果需反映取用水户上一年度11日至1231日期间的取用水领域信用状况。

(二)评价流程

取用水领域信用评价程序分为初评和终评两个阶段:

1.初评阶段:各区县水行政主管部门和市水资源中心于每年131日前,组织完成上一年度取用水领域信用初评工作,并将初评结果(附件2)报送市水利局复核。

2.终评阶段:市水利局于每年228日前组织完成初评成果复核工作,汇总形成上一年度全市取用水领域信用评价成果,正式确定取用水户信用评价等级。

(三)结果公开

市水利局通过重庆市水利局官网网站等渠道对取用水领域信用评价结果进行公示,公示期为15个工作日。对信用评价等级为“C”“D”的,按照行政许可管理权限或取用水户隶属的行政区域,由相应的水行政主管部门在公示期内,以书面形式(附件3)告知取用水户。公示期结束后,将在市水利局官网、“信用中国(重庆)”网站公布取用水户信用评价结果。信用评价结果公开期限为1年,自公开之日起计算,至期限届满之日终止。

(四)异议申诉

对信用评价结果有异议的取用水户可在公示期内对评价结果向市水利局提交核实申请及证据资料;并对提交材料的真实性负责。市水利局需统筹区县水行政主管部门在收到申请之日起20个工作日进行复核,并将复核意见告知取用水户。异议处理需要现场核查、检测、检定、鉴定或者专家评审的,所需时间不计入异议申请办理时间。经核实申请理由成立的,对评价结果予以调整并公示5个工作日。取用水户对评价结果仍有异议的,可依法对评价结果申请行政复议。公示期内未提出异议的,视为对评价结果认可。

信用主体对评价结果进行申诉、复议的,申诉、复议期间不停止对评价结果的公布,如申诉、复议后评价结果发生变化的,市水利局将及时调整公布的取用水户信用评价结果。

五、信用修复

(一)修复机制。取用水领域失信行为信息自相应行政处罚、行政强制等生效之日起即纳入取用水领域信用评价。失信取用水户主动开展信用修复的,履行完相应行政处罚并完成信用修复后,且未产生新的违法失信行为的,相关信息在下一次取用水领域信用评价中不再使用,但予以留档。

(二)修复流程。取用水户在规定时限内纠正失信行为、消除不良影响,并通过“信用中国”网站提出信用修复申请。申请信用修复应当提交纠正失信行为、履行法定义务等证明材料、信用承诺书及法律、行政法规、部门规章要求提供的其他材料。取用水户向行政处罚机关申请出具履行完毕意见的,应当提交取用水领域信用修复申请表(详见附件4),行政处罚机关应当在收到申请表5个工作日内完成核实并出具意见后报市水利局备案。

六、分类监管

对信用评价等级为“A”的取用水户,在减少抽查比例和频次,以及取用水领域的评优评奖、财政补助资金申请等方面进行激励。对信用评价等级为“D”的取用水户,列为重点监管对象,加大日常监管力度,提高抽查比例和频次,暂停取用水领域的各类专项资金补助,且不适用取水许可告知承诺制。

七、组织实施

(一)加强组织领导。各区县水行政主管部门和市水资源中心要将实施取用水领域信用评价作为实行水资源刚性约束制度的一项重要任务,加强组织领导,做好经费保障,有序推进信用评价实施工作。要加强与同级发展改革等部门沟通协作,加快构建以信用为基础的取用水领域新型监管机制。

(二)强化技术支撑。按照数字重庆建设要求,市水利局将依托国家水资源管理系统(重庆)将取用水户的基础信息、执法监管和处置、信用评价结果等信息与全国取用水管理平台、“渝悦·信用”应用平台等按需共享。区县水行政主管部门和市水资源中心应当结合日常监管工作开展取用水领域信用记录归集、信用信息共享、失信案例核查等工作。

(三)保护信息安全。各区县水行政主管部门和市水资源中心要严格落实信息安全保护责任,规范信用信息查询使用权限和程序,依法依规采集、归集、共享和使用相关信息,保护取用水户的商业秘密。

附件:1全国取用水领域信用评价指标及评分标准

2___区县取用水领域信用评价初评结果汇总表

3拟纳入取用水领域失信名单告知书(参考)

4取用水领域信用修复申请表


附件1

全国取用水领域信用评价指标及评分标准

序号

类别

评价指标

严重

程度

扣分

分值

法律法规等依据

1

取水许可行为

未经批准擅自取水的

严重

20

《中华人民共和国水法》第六十九条;《取水许可和水资源费征收管理条例》第四十八条

2

未依照批准的取水许可规定条件取水的

较重

10

《中华人民共和国水法》第六十九条;《取水许可和水资源费征收管理条例》第四十八条

3

未取得取水申请批准文件擅自建设取水工程或者设施的

较重

10

《取水许可和水资源费征收管理条例》第四十九条

4

申请人隐瞒有关情况或者提供虚假材料骗取取水申请批准文件或者取水许可证的

严重

20

《取水许可和水资源费征收管理条例》第五十条;《建设项目水资源论证管理办法》第十二条

5

拒不执行审批机关作出的取水量限制决定的

严重

20

《取水许可和水资源费征收管理条例》第五十一条

6

未经批准擅自转让取水权的

一般

5

《取水许可和水资源费征收管理条例》第五十一条

7

伪造、涂改、冒用取水申请批准文件、取水许可证的

严重

20

《取水许可和水资源费征收管理条例》第五十六条

8

取用水监测计量统计

未安装计量设施的

较重

10

《取水许可和水资源费征收管理条例》第五十三条

9

计量设施不合格或者运行不正常的

一般

5

《取水许可和水资源费征收管理条例》第五十三条

10

在用水统计工作中弄虚作假,篡改伪造取用水数据的

严重

20

《中华人民共和国统计法》第四十一条

11

未按规定填报取用水调查表或未按规定开展用水统计工作的

一般

5

《中华人民共和国统计法》第四十一条、第四十二条

12

水资源费(税)缴纳

拒不缴纳、拖延缴纳或者拖欠水资源费(税)的

较重

10

《中华人民共和国水法》第七十条;《取水许可和水资源费征收管理条例》第五十四条

13

地下水开发利用及保护

地下工程建设对地下水造成重大不利影响的

严重

20

《地下水管理条例》第五十七条

14

地下工程建设应当于开工前将工程建设方案和防止对地下水产生不利影响的措施方案备案而未备案的

较重

10

《地下水管理条例》第五十七条

15

矿产资源开采、地下工程建设疏干排水应当定期报送疏干排水量和地下水水位状况而未报送的

较重

10

《地下水管理条例》第五十七条

16

应当停止取水的地下水取水工程,未按照规定封井或者回填的

严重

20

《地下水管理条例》第五十八条

17

取用水监督检查

拒绝或阻碍接受监督检查的

较重

10

《中华人民共和国水法》第六十一条;《取水许可和水资源费征收管理条例》第五十二条

18

其他

其他违反取用水相关法律法规的

一般

5

《中华人民共和国水法》《取水许可和水资源费征收管理条例》《地下水管理条例》《中华人民共和国统计法》








说明:

①未经批准擅自取水,包括无证取水和取水许可证逾期仍继续取水的情形,无论取水规模多大,均纳入评价范围;当同时存在“未经批准擅自取水”和“未取得取水申请批准文件擅自建设取水工程或者设施”两种情形时,按对应更高扣分分值的情形进行扣分。

②未依照批准的取水许可规定条件取水,包括超许可水量取水,改变取水水源、取水地点或取水用途等,未按照泄放标准下泄水量(流量)等情形。其中超许可水量取水不纳入对水力发电取用水户的评价。

③申请人隐瞒有关情况或者提供虚假材料骗取取水申请批准文件或者取水许可证,包含业主单位在建设项目水资源论证工作中弄虚作假的情形。

④计量设施不合格或者运行不正常的,包含安装的计量设施不符合相关技术规范和标准、未按规定进行检定或校准的情形。

⑤取用水监测计量统计类别,不纳入对水力发电取用水户的取用水领域信用评价。


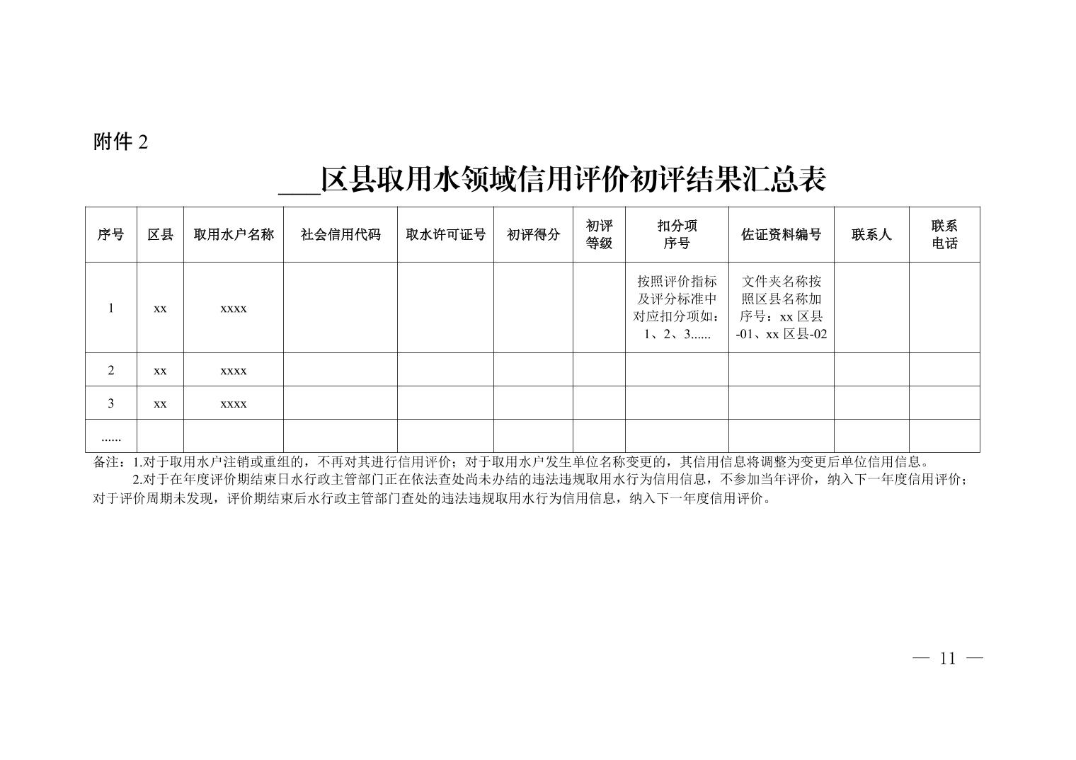
附件2

       区县取用水领域信用评价初评结果汇总表

序号

区县

取用水户名称

社会信用代码

取水许可证号

初评得分

初评等级

扣分项序号

佐证资料编号

联系人

联系

电话

1

xx

xxxx

按照评价指标及评分标准中对应扣分项如:123......

文件夹名称按照区县名称加序号:xx区县-01xx区县-02

2

xx

xxxx

3

xx

xxxx

......

备注:1.对于取用水户注销或重组的,不再对其进行信用评价;对于取用水户发生单位名称变更的,其信用信息将调整为变更后单位信用信息。

2.对于在年度评价期结束日水行政主管部门正在依法查处尚未办结的违法违规取用水行为信用信息,不参加当年评价,纳入下一年度信用评价;对于评价周期未发现,评价期结束后水行政主管部门查处的违法违规取用水行为信用信息,纳入下一年度信用评价。


附件3

拟纳入取用水领域失信名单告知书

(参考)

_______(取用水户名称)

_______(区县水行政主管部门)初评,市水利局终评,你单位存在取用水领域_______违法违规行为,按照《重庆市取用水领域信用评价工作方案(试行)》要求,被评定为_______C级或D级)。

如对上述告知内容存在异议,你单位在收到本告知书之日起5个工作日内,以书面形式向市水利局提交核实申请,并附证据资料。

                          ___区县水行政主管部门

                     _________


附件4

取用水领域信用修复申请表

经办人:                         联系电话:                 申请日期:

基本情况

取用水户名称

取水许可证编号

统一社会信用代码

上次评定情况

评定等级

评定日期

拟修复的

失信行为

**年**月**日因***行为被认定为***等级失信行为。

逐条列出具体失信行为(提供相关文件的打印件或复印件作为附件)

整改情况

针对上述失信行为逐条列出整改、销号情况,并提交证明材料(可附页)

真实性承诺

本单位(人)承诺所填写内容和提交相关材料真实有效,否则依法依规承担相应责任,并在市公共信用信息平台记入信用记录。

经办人:单位名称(盖章):

县区水行政

主管部门意见

单位负责人:

单位名称(盖章):

 全文下载:重庆市水利局 重庆市发展和改革委员会关于印发《重庆市取用水领域信用评价工作方案(试行)》的通知.docx

文字解读:《重庆市取用水领域信用评价工作方案(试行)》政策解读


重庆市水利局发布